• Company
    • History
    • Mission
    • FP® today
  • News
  • Products
    • Pressure vessels
    • Components of the cooling system
    • Automation elements
    • Catalog
  • Support
    • Technical documentation
    • F.A.Q.
    • 3D Models
  • VesSel
    • VesSel online
  • Contacts
    • Feedback
    • Contacts, coords
    • Distributors
Русский English
Login
   

Frigopoint → Products → ELECTRONICS → Electronic expansion valves

  • PRESSURE VESSELS
    • Refrigerant receivers
      • Vertical Receivers
        • Vertical recievers. 1,0...1,6
        • Vertical recievers. 2,5...8,0
        • Vertical recievers. 10,0...16,0
        • Vertical recievers. 20,0...24,8
        • Vertical recievers. 25,0...350,0
      • Receivers horizontal
        • Horizontal recievers. 16,0...70,0
        • Horizontal recievers. 100,0...250,0
    • Electronic refrigerant sensors
      • Refrigerant sensor FP-ELS2
      • Refrigerant sensor FP-ELS-L
    • Safety valves
      • Safety valve FP-SV-038
      • Adapters for safety valve
    • Stands
    • Suction accumulators
      • Liquid separators. 2,0...9,0
      • Liquid separators. 12,0
      • Liquid separators. 25,0...45,0
      • Suction accumulators with heat exchanger 12
      • Suction accumulators with heat exchanger 25...45
    • Refillable refrigerant cylinders
    • Accessories for pressure vessels
  • OIL CONTROL SYSTEM
    • Electronic oil level regulators
      • Electronic oil level FP-ERL4
      • Adapters
      • Accessories for electronic oil level
    • Oil receivers
      • Oil Receivers FP-OR
      • Differential check valve
    • Helical oil separator with receiver
      • Helical oil separator with receiver FP-OSR
      • Oil filters
    • Oil separators
      • Oil separators float type
        • Oil separators FP-OS-2,0...7,0
        • Oil separators FP-OS-12,0
        • Oil separators FP-OS-25,0...45,0
      • Helical oil separators with flange FP-OSF
      • Floats for collapsible oil separators FP-OSF
    • Oil separator. Cyclone type
      • Cyclone type oil separators for screw compressors FP-OS
      • Heating kit for cyclone oil separator
      • Level sensor FP-ELS-L
      • Oil level sensor FP-OLS2
  • COMPONENTS OF THE COOLING SYSTEMS
    • Ball valves
      • Ball valve FP-BV
      • Ball valve with service nipple FP-BVa
      • Brackets for FP-BV
    • Sight glass (humidity indicators)
      • Sight glass FP-OG
      • Humidity indicators FP-SG
    • Rotalock valves and Tee valves
      • Rotalock valves for receivers and compressors
      • Rotalock valves for ERL
      • Rotalock valves for LR(H)-300
      • Tee valves FP-TV
    • Dampers
    • Filter-driers
      • Filter-driers with replaceable core FP-SDF
      • Cartridges for filters FP-48
    • Pressure relay
      • Pressure relay FP-PR
      • Cartridge pressure switch FP-PS
    • Solenoid valves
      • Solenoid valves FP-ESV
      • Coils for solenoid valves FP-ESV
  • ELECTRONICS
    • Fan speed regulator FP-FSR-8
    • Fan speed regulator FP-CPR1-4
    • SCR Condensing Pressure Regulator FP-ECPR-2
    • Winter kit "Bars" for air conditioners
    • Control module for fan speed controllers FP-CPM
    • Electronic expansion valves
      • Electronic expansion valves FP-ERV10
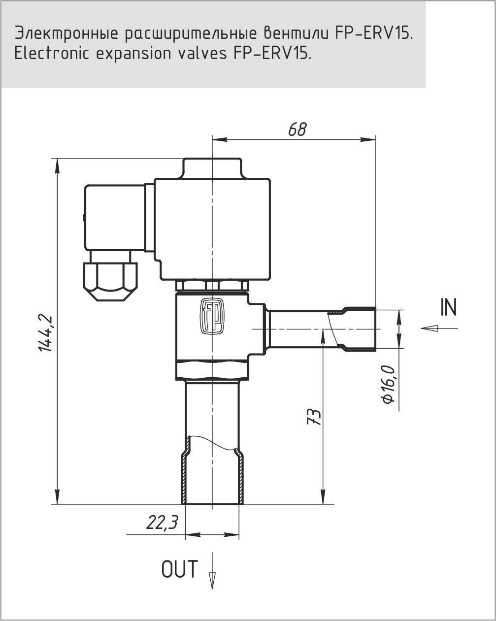
      • Electronic expansion valves FP-ERV15
      • Accessories for ERV
    • Pressure sensors FP-PT, FP-PTR
    • Refrigeration cycle controller FP-MC-R23BTM
    • Refrigeration cycle controller FP-MC-R23EM
    • Central controller FP-MC-CR8220LM

Electronic expansion valves

Electronic expansion valves FP-ERV10

Electronic expansion valves FP-ERV10


Electronic expansion valves FP-ERV15

Electronic expansion valves FP-ERV15


Accessories for ERV

Accessories for ERV


PRESSURE VESSELS
  • vertical receivers: type A, type B, type C
  • horizontal receivers: type A, type B
  • oil receivers
  • liquid separators: type B, type C
  • oil separators: type B, type C
ELEMENTS OF AUTOMATION
  • controllers refrigeration cycle
  • pressure sensors
LINEAR COMPONENTS
  • Rotalock valves
  • ball valves
  • electronic oil level regulator
  • adapters
  • differential check valve
  • disposable oil filters
  • oil flow indicator
  • safety valve
  • switching valves
LINEAR COMPONENTS
  • connectors
  • dampers
  • electronic expansion valves
  • solenoid valves
  • check valve
  • sight glasses
  • filter driers collapsible
  • disposable filter driers
  • suction line filters
Belgorod, Russian Federation
Email: info@frigopoint.com | Phone / Fax: +7 4722 23-12-72
© 2014 | FRIGOPOINT®. All rights reserved.
Русский | English